Rollico

Obudowy łożyskowe - ITGO

Obudowy łożyskowe

Obudowy tulei łożyskowych to solidna baza dla precyzyjnego prowadzenia. Ich zastosowanie upraszcza proces projektowania i montażu systemów liniowych, redukuje czas serwisowania i zwiększa powtarzalność działania.

Obudowy tulei łożyskowych typu ITGO (obudowa podwójna otwarta)

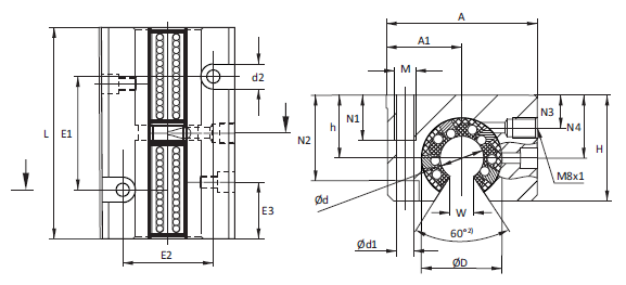
Rysunek techniczny obudowy łożyskowej typu ITGO

Uwaga! Na rysunku pokazana jest obudowa w formie zmontowanej razem z tuleją łożyskową.
Kształt produktu może nieznacznie odbiegać od przedstawionego na zdjęciu/rysunku.

Tabela wymiarów obudowy łożyskowej typu ITGO

Typ
Ød
ØD
H
h
+0,01
-0,02
A
A1
±0,02
L
E1
±0,15
E2
±0,15
E3
±0,2
N1
N2
N3
N4
Ød1
d2
M
1)
Masa*
[kg]
ITGO-12
12
22
30
18
43
21,5
76
40
30
19,5
13
25
10
16,65
5,2
10
M6
7,5
0,22
ITGO-16
16
26
35
22
53
26,5
84
45
36
21,5
13
30
12
22
5,2
10
M6
10
0,34
ITGO-20
20
32
42
25
60
30
104
55
45
27
18
34
13
25
6,8
11
M8
10
0,62
ITGO-25
25
40
51
30
78
39
130
70
54
33,5
22
40
15
31,5
8,6
15
M10
12,5
1,17
ITGO-30
30
47
60
35
87
43,5
152
85
62
39,5
26
48
16
33
10,3
18
M10
12,5
1,68
ITGO-40
40
62
77
45
108
54
176
100
80
45
34
60
20
43,5
14,3
20
M16
16,8
3,15
ITGO-50
50
75
88
50
132
66
224
125
100
56,5
34
49
20
47,5
14
20
M16
21
3,9
Wszystkie wymiary w tabeli w [mm], jeśli nie podano innej jednostki.
Śruby ustalające zgodne z DIN 912-8.8, podkładki sprężyste zgodne z DIN 7980.
Nośność zgodnie ze specyfikacją łożyska.
Otwór smarujący M8x1.
Pozycja łożyska ustalona przez śrubę.
1) wartości dla serii LME..UUOP
2) kąt obudowy; uwaga na kąt zastosowanego łożyska
* Masa obudowy wraz z łożyskiem.

Sposób oznaczania

Obudowa
ITGO
20
 
 
Seria        
Rozmiar        
Obudowa z łożyskiem
ITGO
20
LME_UU_OP
V
Seria        
Rozmiar        
Łożysko liniowe (zgodnie z życzeniem klienta):
LME_UU_OP, SBE_UU, SPM_OPN_WW
     
Dodatkowe zgarniacze czołowe      
AlAluminium

Precyzja

Tolerancja sortowania
nawet do 0,5 µm

Jakość

System zarządzania
jakością ISO 9001:2015

Doświadczenie

Ponad 20 lat doświadczenia
w technice liniowej.

Personalizacja

Produkujemy elementy pod
indywidualne wymagania.

Some Action Some Action