Tuleje łożyskowe
Tuleje łożyskowe to kluczowy element każdego systemu prowadzenia liniowego. Zapewniają płynny, precyzyjny i bezawaryjny ruch wzdłuż wałków prowadzących, minimalizując tarcie i zużycie komponentów.
SBE
Liniowe tuleje łożyskowe typu SBE z wyrównaniem błędu prowadzenia (seria standardowa, wersja zamknięta i otwarta)
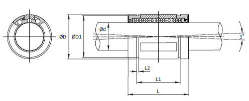
Rysunek techniczny tulei łożyskowej typu SBE
Tabela wymiarów tulei łożyskowej typu SBE
|
Typ
|
Ød
|
ØD
|
L
|
L1
|
L2
|
ØD1
|
W
|
(°)
|
G
|
J
|
Nośn. dyn. C*
[N] |
Nośn. stat. C0*
[N] |
Masa
[kg] |
|---|---|---|---|---|---|---|---|---|---|---|---|---|---|
|
SBE-16
|
16
|
26
|
36
|
24,6
|
1,3
|
24,9
|
9,0
|
68
|
-
|
1,0
|
1140
|
710
|
0,028
|
|
SBE-20
|
20
|
32
|
45
|
31,2
|
1,6
|
30,5
|
9,0
|
55
|
-
|
1,0
|
2280
|
1400
|
0,061
|
|
SBE-25
|
25
|
40
|
58
|
43,7
|
1,85
|
38,5
|
11,5
|
57
|
1,5
|
1,5
|
4280
|
2740
|
0,122
|
|
SBE-30
|
30
|
47
|
68
|
51,7
|
1,85
|
44,5
|
14,0
|
57
|
2,0
|
2,2
|
5020
|
3365
|
0,185
|
|
SBE-40
|
40
|
62
|
80
|
60,3
|
2,15
|
58,5
|
19,5
|
56
|
1,5
|
2,7
|
8980
|
5460
|
0,360
|
|
SBE-50
|
50
|
75
|
100
|
77,3
|
2,65
|
71,5
|
22,5
|
54
|
2,5
|
2,3
|
12965
|
7940
|
0,580
|
| Wszystkie wymiary w tabeli w [mm], jeśli nie podano innej jednostki. *Wartości nośności dla wałków prowadzących szlifowanych i hartowanych (min. 59 HRC). *Dla wałków prowadzących o niższej twardości, nośności efektywne wynoszą: - dla WRA: Cef = 0,74·C Coef=0,8·Co - dla WRB: Cef = 0,63·C Coef=0,7·Co |
|||||||||||||
Sposób oznaczania
|
|
SBE
|
20
|
UU
|
|---|---|---|---|
| Seria: SBE: typ zamknięty SBEO: typ otwarty |
|||
| Rozmiar | |||
| Obustronne uszczelnienie |
















