Rollico

ELFS

Szyny prowadzące (ELFS)

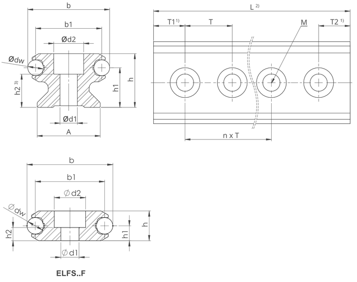
Szyny prowadzące ELFS do rolek tocznych

Szyny prowadzące ELFS mają złożoną konstrukcję.

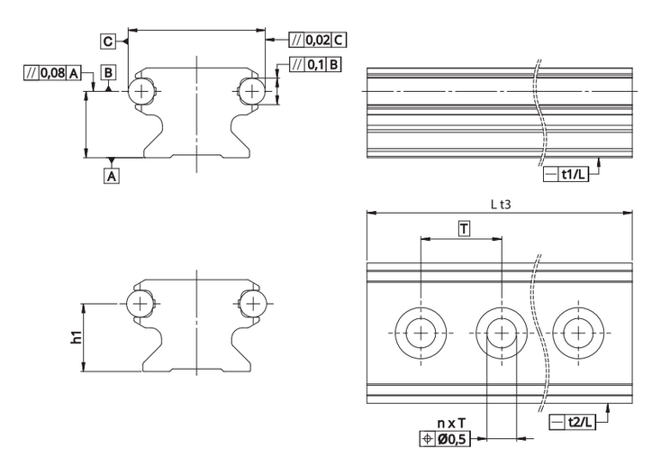
Dokładność szyn prowadzących ELFS

Równoległości są określone na podstawie pomiarów różnicowych. Prostoliniowość szyn prowadzących jest lepsza niż określa norma DIN EN 12020.

 
L [mm]
t1
t2
L<1000
0.5
0.2
1000≤L<2000
1
0.3
2000≤L<3000
1.5
0.4
3000≤L<4000
2
0.5
4000≤L<5000
2.5
0.6
5000≤L<6000
3
0.7

Rysunek techniczny dokładności szyn powadzących ELFS 

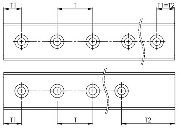
Rodzaje otworów montażowych

Domyślnie szyny dostarczane są z otworami montażowymi rozmieszczonymi symetrycznie. W razie potrzeby można zamówić szynę z asymetrycznym rozmieszczeniem otworów, należy jednak pamiętać o zachowaniu minimalnych odległości T1 i T2.
Wszystkie szyny prowadzące ELFS są także dostępne bez otworów – oznaczenie OL.

 

Szyny prowadzące wieloczęściowe

Jeśli nie ma możliwości zastosowania szyny montażowej jednoczęściowej, dłuższe szyny mogą być składane z krótszych odcinków. Takie zamówienie wymaga wcześniejszej konsultacji z nami.

 
L [mm]
t2
Szyna jednoczęściowa
L<1000
± 2mm
1000≤L<2000
± 3mm
2000≤L<4000
± 4mm
4000
± 5mm
Szyna wieloczęściowa
Długość całkowita
± 0.1%

Instrukcja montażu

 
Śruba
ISO 4762-8.8
Moment dokręcania
MA [Nm]
M5
5,8
M6
9,9
M8
24
M10
48

 Szczególne warunki pracy szyn powadzących ELFS 

W pewnych szczegółowych warunkach, jak wibracje, poruszające się z wysokimi przyspieszeniami obciążenia w połączeniu ze zbyt słabym mocowaniem szyny mogą powodować, że stalowy wałek może wędrować do kilku mm w aluminiowym korpusie. Aby zapobiec temu zjawisku, na końcach szyny można zainstalować ograniczniki.

Należy przestrzegać dopuszczalnych obciążeń bocznych zgodnie z poniższą tabelą.
 
Typ ELFS
Dopuszczalna siła boczna Fz [N]
20
200
25
330
32 / 32E
450 / 900
52 / 52E / 52EE
1000 / 1600 / 4000

 Rysunek techniczny szyn powadzących ELFS 

Tabela wymiarów szyn powadzących ELFS 

Typ
/Symbol
Wymiary [mm]
Rozstaw otworów [mm]
Masa
[kg/m]
dw
b
A
h
b1
h1
h23)
d1
d2
M
L2)
T
TE
TEE
ELFS-20
4
20
17
12,2
16
9
7,6
4,5
8
M4
3000
62,5
-
-
0,79
ELFS-25
6
25
21
15
19
10,6
8,5
5,5
10
M5
3000
62,5
-
-
1,10
ELFS-32
6
32
24
20
26
15
12
6,5
12
M6
6000
125
-
-
1,56
ELFS-32E
6
32
24
20
26
15
12
6,5
12
M6
6000
-
62,5
-
1,56
ELFS-32F
6
32
-
10
26
5
3,5
6,5
12
M6
6000
125
-
-
1,10
ELFS-52
10
52
40
34
42
25,1
21
11
19
M10
6000
250
-
-
4,33
ELFS-52E
10
52
40
34
42
25,1
21
11
19
M10
6000
-
125
-
4,33
ELFS-52EE
10
52
40
34
42
25,1
21
11
19
M10
6000
-
-
62,5
4,33
ELFS-52F
10
52
-
18
42
9
8
11
19
M10
6000
250
-
-
3,05
1) T1 i T2 zależą od długości szyny, zgodnie ze wzorem T1(min)/T2(min)=20mm. Inne wartości możliwe na życzenie.
2) Maksymalna długość jednoczęściowej szyny prowadzącej. Dłuższe szyny dostarczane są w odcinkach.
3) Pogłębienie pod łeb śruby DIN 921. Jeśli używa się podkładek DIN 433, należy stosować śruby DIN 7984.

 

Sposób oznaczania

Szyna prowadząca
ELFS
52E
RB
1500 50 75
Seria            
Rozmiar            
Stal nierdzewna          
Długość szyny prowadzącej          
Rozstaw otworów T1          
Rozstaw otworów T2          

Precyzja

Tolerancja sortowania
nawet do 0,5 µm

Jakość

System zarządzania
jakością ISO 9001:2015

Doświadczenie

Ponad 20 lat doświadczenia
w technice liniowej.

Personalizacja

Produkujemy elementy pod
indywidualne wymagania.

Some Action Some Action