Rollico

ELFL- wózki

Wózki rolkowe (ELFL)

Wózki ELFL do szyn prowadzących typu ELFS

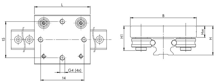
Rysunek techniczny wózków rolkowych typu ELFL

Tabela wymiarów wózków rolkowych typu ELFL

Typ
/Symbol
Rolka
Wymiary [mm]
Masa [kg]
L
B
H
H1
t4
t5
G4
Hw
ELFL-20
50
55
22
20.5
38
40
M5
9
0.16
ELFL-25
75
64
25
21.9
60
50
M5
10.4
0.35
ELFL-32
90
80
35.5
30
70
59
M8
14
0.40
ELFL-52
100
120
54.3
43.2
70
90
M10
19.5
1.00

Siły i momenty działające na wózek

Typ
/Symbol
Nośność [N] 1)
Moment [Nm] 1)
Cy
Coy
Cz
Coz
Mox
Moy
Moz
ELFL-20
1330
845
2300
1620
7
22
11
ELFL-25
1330
845
2300
1620
8
41
17
ELFL-32
4210
2250
7100
4300
29
132
70
ELFL-52
10000
5120
17000
10000
108
300
148
1) Nośność i momenty dla wersji RB na zapytanie

Precyzja

Tolerancja sortowania
nawet do 0,5 µm

Jakość

System zarządzania
jakością ISO 9001:2015

Doświadczenie

Ponad 20 lat doświadczenia
w technice liniowej.

Personalizacja

Produkujemy elementy pod
indywidualne wymagania.

Some Action Some Action