Rollico

Obudowy łożyskowe - ITG

Obudowy łożyskowe

Obudowy tulei łożyskowych to solidna baza dla precyzyjnego prowadzenia. Ich zastosowanie upraszcza proces projektowania i montażu systemów liniowych, redukuje czas serwisowania i zwiększa powtarzalność działania.

Obudowy tulei łożyskowych typu ITG (obudowa podwójna zamknięta)

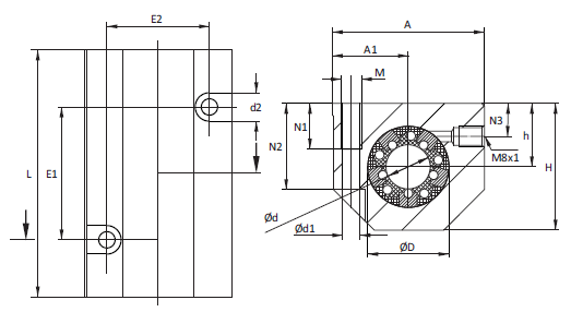
Rysunek techniczny obudowy łożyskowej typu ITG

Uwaga! Na rysunku pokazana jest obudowa w formie zmontowanej razem z tuleją łożyskową.
Kształt produktu może nieznacznie odbiegać od przedstawionego na zdjęciu/rysunku.

Tabela wymiarów obudowy łożyskowej typu ITG

Typ
Ød
ØD
H
h
+0,01
-0,02
A
A1
±0,02
L
E1
±0,15
E2
±0,15
N1
N2
N3
Ød1
d2
M
Masa
[kg]
ITG-08
8
16
28
13
35
17,5
62
35
25
11
19,5
8
4,2
8
M5
0,15
ITG-12
12
22
35
18
43
21,5
76
40
30
13
25
10
5,2
10
M6
0,27
ITG-16
16
26
42
22
53
26,5
84
45
36
13
30
12
5,2
10
M6
0,41
ITG-20
20
32
50
25
60
30
104
55
45
18
34
13
6,8
11
M8
0,72
ITG-25
25
40
60
30
78
39
130
70
54
22
40
15
8,6
15
M10
1,35
ITG-30
30
47
70
35
87
43,5
152
85
62
26
48
16
10,3
18
M12
2,01
ITG-40
40
62
90
45
108
54
176
100
80
34
60
20
14,25
20
M16
3,67
ITG-50
50
75
105
50
132
66
224
125
100
34
49
20
14
20
M16
4,70
Wszystkie wymiary w tabeli w [mm], jeśli nie podano innej jednostki.
Śruby ustalające zgodne z DIN 912-8.8, podkładki sprężyste zgodne z DIN 7980.
Nośność zgodnie ze specyfikacją łożyska.
Otwór smarujący M8x1.
Pozycja łożyska ustalona przez pierścień osadczy zgodny z DIN 472.
* Masa obudowy wraz z łożyskiem.

Sposób oznaczania

Obudowa
ITG
20
 
 
Seria        
Rozmiar        
Obudowa z łożyskiem
ITG
20
LME_UU_OP
V
Seria        
Rozmiar        
Lożysko liniowe (zgodnie z życzeniem klienta):
LME_UU, SBE_UU, SPM_WW
     
Dodatkowe zgarniacze czołowe      
AlAluminium

Precyzja

Tolerancja sortowania
nawet do 0,5 µm

Jakość

System zarządzania
jakością ISO 9001:2015

Doświadczenie

Ponad 20 lat doświadczenia
w technice liniowej.

Personalizacja

Produkujemy elementy pod
indywidualne wymagania.

Some Action Some Action