Rollico

Obudowy łożyskowe - IALGSO

Obudowy łożyskowe

Obudowy tulei łożyskowych to solidna baza dla precyzyjnego prowadzenia. Ich zastosowanie upraszcza proces projektowania i montażu systemów liniowych, redukuje czas serwisowania i zwiększa powtarzalność działania.

Obudowy tulei łożyskowych typu IALGSO (seria standardowa otwarta)

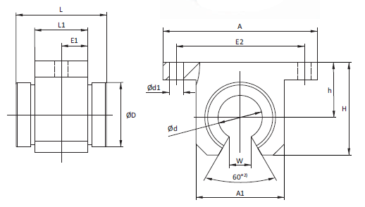
Rysunek techniczny obudowy typu IALGSO

Uwaga! Na zdjęciu oraz rysunku pokazana jest obudowa w formie zmontowanej razem z tuleją łożyskową.

Tabela wymiarów obudowy łożyskowej typu IALGSO

Typ
Ød
ØD
H
h
±0,015
A
A1
L
L1
T1
E1
E2
±0,15
1)
Ød1
Masa
[kg]
IALGSO-12
12
22
28
18
52
30
32
20
6
10
42
7,5
5,3
0,09
IALGSO-16
16
26
33,5
22
56
34
36
22
7
11
46
10
5,3
0,12
IALGSO-20
20
32
42
25
70
40
45
28
8
14
58
10
6,4
0,25
IALGSO-25
25
40
51
30
80
50
58
40
10
20
68
12,5
6,4
0,49
IALGSO-30
30
47
60
35
88
58
68
48
10
24
76
12,5
6,4
0,78
IALGSO-40
40
62
77
45
108
74
80
56
12
28
94
16,8
8,4
1,28
IALGSO-50
50
75
93
50
135
96
100
72
12
36
116
21
10,5
1,70
Wszystkie wymiary w tabeli w [mm], jeśli nie podano innej jednostki.
Śruby ustalające zgodne z DIN 912-8.8, podkładki sprężyste zgodne z DIN 7980.
Nośność zgodnie ze specyfikacją łożyska.
Otwór smarujący M8x1
1) wartości dla serii LME..UUOP
2) kąt obudowy; uwaga na kąt zastosowanego łożyska
* Masa obudowy wraz z łożyskiem

Sposób oznaczania

Obudowa
IALGSO
20
 
Seria      
Rozmiar      
Obudowa z łożyskiem
IALGSO
20
LME_UU_OP
Seria      
Rozmiar      
Lożysko liniowe (zgodnie z życzeniem klienta):
LME_UU_OP, SBEO_UU, SPM_OPN_WW
   
AlAluminium

Precyzja

Tolerancja sortowania
nawet do 0,5 µm

Jakość

System zarządzania
jakością ISO 9001:2015

Doświadczenie

Ponad 20 lat doświadczenia
w technice liniowej.

Personalizacja

Produkujemy elementy pod
indywidualne wymagania.

Some Action Some Action