Obudowy łożyskowe
Obudowy tulei łożyskowych to solidna baza dla precyzyjnego prowadzenia. Ich zastosowanie upraszcza proces projektowania i montażu systemów liniowych, redukuje czas serwisowania i zwiększa powtarzalność działania.
IGOE
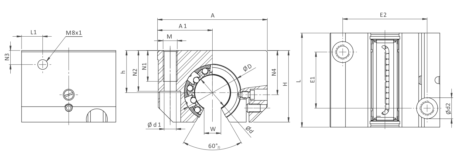
Obudowy tulei łożyskowych typu IGOE (obudowa pojedyncza otwarta z regulacją luzu)
Rysunek techniczny obudowy łożyskowej typu IGOE

Uwaga! Na zdjęciu oraz rysunku pokazana jest obudowa w formie zmontowanej razem z tuleją łożyskową.
Kształt produktu może nieznacznie odbiegać od przedstawionego na zdjęciu/rysunku.
Tabela wymiarów obudowy łożyskowej typu IGOE
|
Typ
|
Ød
|
ØD
|
H
|
h
+0,01 -0,02 |
A
|
A1
±0,02 |
L
|
E1
±0,15 |
E2
±0,15 |
N1
|
N2
|
N3
|
L1
|
N4
|
Ød1
|
Ød2
|
M
|
W1)
|
Masa*
[kg] |
|---|---|---|---|---|---|---|---|---|---|---|---|---|---|---|---|---|---|---|---|
|
IGOE-12
|
12
|
22
|
28
|
18
|
43
|
21,5
|
39
|
23
|
32
|
11
|
16,5
|
10
|
10,5
|
16,65
|
4,2
|
8
|
M5
|
7,5
|
0,11
|
|
IGOE-16
|
16
|
26
|
35
|
22
|
53
|
26,5
|
43
|
26
|
40
|
13
|
21
|
10
|
11,5
|
22
|
5,2
|
10
|
M6
|
10
|
0,17
|
|
IGOE-20
|
20
|
32
|
42
|
25
|
60
|
30
|
54
|
32
|
45
|
18
|
24
|
10
|
13,5
|
25
|
6,8
|
11
|
M8
|
10
|
0,30
|
|
IGOE-25
|
25
|
40
|
51
|
30
|
78
|
39
|
67
|
40
|
60
|
22
|
29
|
10
|
15
|
31,5
|
8,6
|
15
|
M10
|
12,5
|
0,57
|
|
IGOE-30
|
30
|
47
|
60
|
35
|
87
|
43,5
|
79
|
45
|
68
|
22
|
34
|
11,5
|
16
|
33
|
8,6
|
15
|
M10
|
12,5
|
0,86
|
|
IGOE-40
|
40
|
62
|
77
|
45
|
108
|
54
|
91
|
58
|
86
|
26
|
44
|
14
|
18
|
43,5
|
10,3
|
18
|
M12
|
16,8
|
1,60
|
|
IGOE-50
|
50
|
75
|
88
|
50
|
132
|
66
|
113
|
50
|
108
|
34
|
49
|
12,5
|
20
|
47,5
|
14
|
20
|
M16
|
21
|
2,20
|
| Wszystkie wymiary w tabeli w [mm], jeśli nie podano innej jednostki. Śruby ustalające zgodne z DIN 912-8.8, podkładki sprężyste zgodne z DIN 7980. Nośność zgodnie ze specyfikacją łożyska. Otwór smarujący M8x1. Pozycja łożyska ustalona przez śrubę. 1) wartości dla serii LME..UUOP 2) kąt obudowy; uwaga na kąt zastosowanego łożyska * Masa obudowy wraz z łożyskiem |
|||||||||||||||||||
Sposób oznaczania
|
Obudowa
|
IGOE
|
20
|
|
|
|---|---|---|---|---|
| Seria | ||||
| Rozmiar |
|
Obudowa z łożyskiem
|
IGOE
|
20
|
LME_UU_OP
|
V
|
|---|---|---|---|---|
| Seria | ||||
| Rozmiar | ||||
| Łożysko liniowe (zgodnie z życzeniem klienta): LME_UU_OP, SBEO_UU, SPM_OPN_WW |
||||
| Dodatkowe zgarniacze czołowe | ||||
AlAluminium
























