Rollico

NRT

Wózki Toczne

to na ogół kompaktowe moduły toczne, które w połączeniu z prowadnicami liniowymi eliminują problem ograniczonego skoku i zapewniają wysoką precyzję oraz równomierny rozkład obciążeń we wszystkich kierunkach.

Jednostka recyrkulacyjna typu NRT

Informacje ogólne

Wyposażona w wałeczki łożyskowe jednostka recyrkulacyjna typu NRT, to komponent zaprojektowany do pracy w wymagających aplikacjach przy średnich i dużych obciążeniach, zapewniający wysoką sztywność i precyzję.

Są one szczególnie polecane tam, gdzie oczekuje się wysokiej płynności ruchu oraz minimalnych sił bocznych działających na układ. Dodatkowo, dzięki swojej przemyślanej geometrii jednostki NRT zapewniają wyjątkowo niskie pulsacje ruchu co ma swoje przełożenie na bardzo wysoką precyzję pozycjonowania. 

Parametry

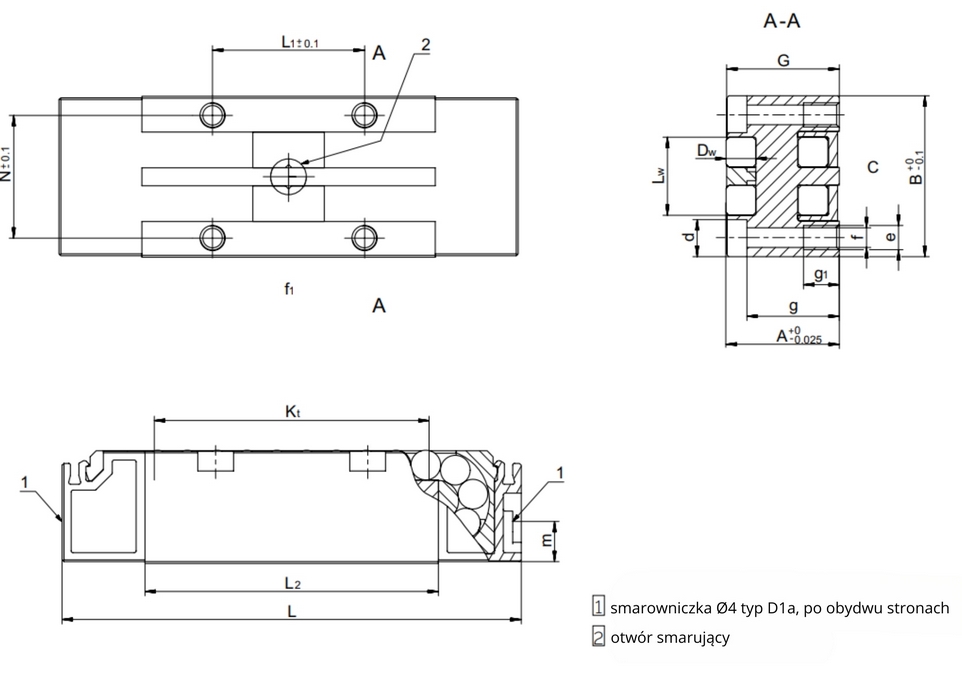
Rysunek techniczny jednostki recyrkulacyjnej typu NRT

Tabela wymiarów jednostek recyrkulacyjnych NRT

 
Typ i rozmiar
Waga [g]
A
B
Dw
G
Kt
L
L1
L2
Lw
N
d
e
f
f1
g
g1
m
C[N]
Opcje dodatkowe
NRT 19077
185
19 27 5 18,85 45 77 25,5 49,2 13 20,6 6 M4 3,3 6 15,5 6 5,3 43 000 GP
ZS
NRT 26111 570 26 40 7 25,85 70 111 44 75,6 19 30 8 M6 5 9 20 10 10,3 98 000 GP
ZS
NRT 26132 721 91 132 68 96,6 20,6 120 000 GP
ZS
NRT 38144 1390 38 52 10 37,8 90 144 51 96,8 26 41 11 M8 6,8 11 29 14 14,5 181 000 GP
ZS

 

 

Precyzja

Tolerancja sortowania
nawet do 0,5 µm

Jakość

System zarządzania
jakością ISO 9001:2015

Doświadczenie

Ponad 20 lat doświadczenia
w technice liniowej.

Personalizacja

Produkujemy elementy pod
indywidualne wymagania.

Some Action Some Action