Rollico

NRV

Wózki Toczne

to na ogół kompaktowe moduły toczne, które w połączeniu z prowadnicami liniowymi eliminują problem ograniczonego skoku i zapewniają wysoką precyzję oraz równomierny rozkład obciążeń we wszystkich kierunkach.

Klin nastawny NRV

Informacje ogólne

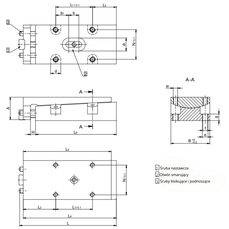
Klin nastawny NRV służy do ustawiania napięcia wstęnego jednostki recyrkulacyjnej NRT. Dzięki swoim wklęsłym i wypukłym powierzchniom podporowym, jest również w stanie kompensować niewielkie błędy kątowe oraz odkształcenia w strukturze łączącej.

Parametry:

Rysunek techniczny klinu nastawnego NRV

Tabela wymiarów jednostek recyrkulacyjnych NRV

Typ i rozmiar
Waga [g]
A
B
H max.
L max.
L1
L2
L3
L4 max.
L5
L6
N
b
b1
d
d1
e
e1
f
g
NRV 19077
195
16 27 7 72 25,5 22,5 16,5 68 61 56 20,6 7 9 7 9 M4 M3 3,3 4,5
NRV 26111 670 25 40 8 105 44 29 21 98 90 83 30 9 17,5 8 11 M6 M4 5 8
NRV 26132 837 126 68 27,5 19,5 119 111 104 29,5
NRV 38144 1300 30 52 8 130 51 37,5 28,5 121 113 105 41 10 20,5 11 14 M8 M6 6,8 8

 

 

Precyzja

Tolerancja sortowania
nawet do 0,5 µm

Jakość

System zarządzania
jakością ISO 9001:2015

Doświadczenie

Ponad 20 lat doświadczenia
w technice liniowej.

Personalizacja

Produkujemy elementy pod
indywidualne wymagania.

Some Action Some Action